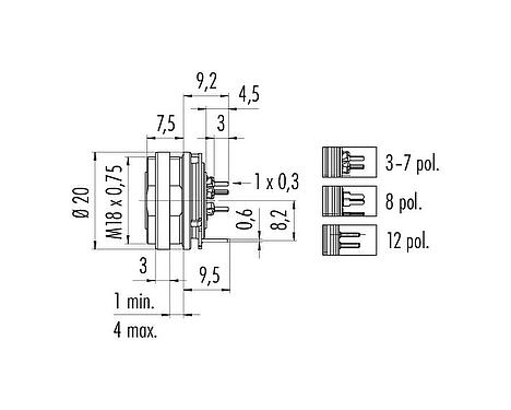
Part no.: 09 0108 290 03
M16 Female panel mount connector, Contacts: 3 (03-a), shieldable, THT, IP67, UL 2238, M18x0,75, Rear mounting
M16 IP67, series 723, Miniature Connectors
General features
Moreless| Part no. | 09 0108 290 03 |
| Connector design | Female panel mount connector |
| Type standard | DIN EN 61076-2-106 |
| Version | Connector socket straight |
| Connector locking system | screw |
| Termination | THT |
| Degree of protection | IP67 |
| Temperature range from/to | -40 °C / 95 °C |
| Mechanical operation | > 500 Mating cycles |
| Weight (g) | 9.21 |
| Customs tariff number | 85369010 |
| Country of Origin | DE |
Electrical parameters
Moreless| Rated voltage | 250 V |
| Rated impulse voltage | 1500 V |
| Rated current | 7.0 A |
| Insulation resistance | ≥ 1010 Ω |
| Pollution degree | 1 |
| Overvoltage category | I |
| Insulating material group | III |
| EMC compliance | shieldable |
| Shield connection | Shield pin |
Material
Moreless| Housing material | Zinc die-cast nickel-plated |
| Contact body material | PBT (UL94 V-0) |
| Contact material | CuSn (bronze) |
| Contact plating | Au (gold) |
| REACH SVHC |
CAS 7439-92-1 (Lead) |
| SCIP number | fbe62aac-9da6-4872-8d47-7fa408649885 |
Authorization/approvals
Moreless| Approvals | UL 2238 |
Classifications
Moreless| eCl@ss 11.1 | 27-44-01-09 |
| ETIM 9.0 | EC003569 |
Security notices
- The connector must not be plugged or unplugged under load. Non-observance and improper use can result in personal injury.
- The connectors have been developed for applications in plant engineering, control and electrical equipment construction. The user is responsible for checking whether the connectors can also be used in other areas of application.
- Connectors which are used in circuits with voltages dangerous to the touch may only be installed and used by, or under the supervision of, persons with electrical engineering training, taking into account the applicable regulations and standards.
- The user must take suitable safety precautions to ensure that the connector cannot be accidentally disconnected.
- Plug connectors with enclosure protection IP67 and IP68 are not suitable for use under water. When used outdoors, the plug connectors must be protected separately against corrosion. For further information on the IP protection classes, please refer to the "Technical Information" download centre.
- Please observe the pollution degree and the overvoltage category. For further information, please refer to the download center "Technical Information".
- The protection class specification applies on condition that the four mounting holes are made as blind holes.
Downloads





